Es pot dir que hi ha estabilitat transitòria si les diverses estacions generadores recuperaran l'equilibri després de periòdiques pertorbacions del sistema. Trastorns del sistema que es produeixen com a resultat de falles a les xarxes elèctriques.
Una incidència a la xarxa elèctrica, a més de les afectacions derivades dels canvis en la càrrega del generador, dispararà una línia radial causant una pèrdua de càrrega o, en cas contrari, es dispararà una de les línies d'interconnexió d'una xarxa, la qual cosa requereix un reajustament d'angles de fase per tot arreu i, a la vegada, augmenta la impedància entre plantes amb un perjudici del flux de la sincronització.
Els estudis sobre l'estabilitat transitòria són, essencialment, una anàlisi dels canvis momentanis de velocitat d'equip de rotació en funció de les seves inèrcies.
Factors que afecten l'estabilitat transitòria
Els següents factors poden afectar l'estabilitat transitòria:
- Generador WR 2 X rpm 2, a major quantitat, menor és el factor d'acceleració.
- Sistema d'impedància, ha d'incloure les reactàncies transitòries de tots els generadores. Això afecta els angles de fase i el flux de la sincronització d'alimentació.
- Durada de la falla, elegit com el criteri per a l'estabilitat, per tant, la durada dependrà de la velocitat de l'interruptor i els esquemes de relés de protecció utilitzats.
- Càrregues del generador abans de la falla, es determinaran les tensions internes i el canvi en la producció.
- La càrrega del sistema, el qual determinarà els angles de fase entre les diferents tensions internes dels generadors.
Com qualsevol connexió o situació que provoca un desequilibri entre les tres fases, un disseny del sistema requereix, generalment, mantenir l'estabilitat transitòria si la línia d'interconnexió més important d'una xarxa s'ha disparat a causa d'una o més falles.
Anàlisi de Falles
Els corrents de defecte causen danys a l'equip, be sigui per les elevades corrents o amb els processos mecànics. Per tant, un objectiu és determinar les magnituds dels corrents presents durant l'actuació després de la fallada.
Falla a Terra
És una condició indesitjable en un sistema elèctric, en el qual el corrent elèctric flueix a la terra.
Ocorre una fallada de terra quan el corrent elèctric en una xarxa de distribució o transport te fuites fora de la seva trajectòria de flux previst.
Les xarxes de distribució i de transport estan generalment protegides contra fallades de manera que si es dona aquest tipus de defectes, tant les línies de distribució com de transport, es desconnecta de forma automàtica amb l'ajuda d'un interruptor de potencia associat al circuit.
Tipus de falles
Classificació general de fallades:
- Defectes simètrics: El sistema roman en equilibri. Aquestes falles són relativament rares, però són les més fàcils d'analitzar.
- Defectes asimètrics: El sistema ja no està equilibrat. Són les més comuns però les més difícils d'analitzar.
- El tipus més comú de fallada en un sistema trifàsic és l'homopolar d'una sola fase a terra, seguit per les falles entre dues fases i, finalment, les equilibrades trifàsiques.
Homopolar d'una fase
Aquesta fallada obliga les xarxes de seqüència zero negatiu o positiu de fase "a" a ser col·locades en sèrie, a més de 3Z f per tal de calcular les corrents de seqüència.
Curtcircuit bifàsic
Correspòn a un defecte entre les fases "b" i "c" a través d'una impedància Z f
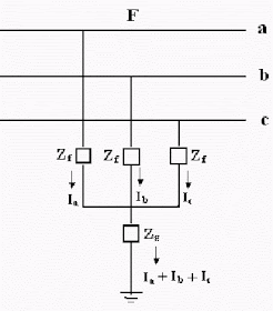
Curtcircuit bifàsic i falla a terra
Aquí les fases "b" i "c" estan en curtcircuit i connectades a terra a través d'una impedància de manca Z f
Curtcircuit trifàsic i a terra
Aquesta falla trifàsica és sovint la més greu.
Font: Electrical Engineering







Cap comentari:
Publica un comentari a l'entrada
Aquest és un blog amb moderador dels comentaris. Per tant, no apareixen immediatament